
We Are Open 24 Hours a Day, 7 Days a Week, Including Weekends and Public Holidays.
1.Keywords:
Acid Gas Scrubber, Chemical Fume Purifier, VOC Removal Tower, Packed Bed Scrubber, Wet Scrubber System, Alkaline Waste Gas Treatment, Acid Mist Collector, Odor Control Tower, Industrial Air Pollution Control, Multi-Stage Scrubber, PP Plastic Scrubber, FRP Exhaust Tower
2.Technical Specifications
|
Parameter |
Specification |
|
Treatment Efficiency |
95-99.9% (gas dependent) |
|
Pressure Drop |
500-1500 Pa |
|
Liquid-Gas Ratio |
1-3 L/m³ |
|
Temperature Range |
-20°C to +120°C |
|
Material Options |
PP, FRP, PVDF, 316L SS |
|
Pollutant Type |
Removal Rate |
Absorbent Used |
|
HCl/SOₓ/NOₓ |
>99% |
NaOH/Ca(OH)₂ |
|
NH₃ |
98% |
H₂SO₄ Solution |
|
Organic VOCs |
90-97% |
Activated Carbon + Oxidants |
|
Particulates |
95% (PM2.5) |
Water Mist |
3.Design Features
Packed Bed Design:
Φ25-50mm PP Pall Rings (specific surface 220m²/m³)
3-stage countercurrent washing (pH control in each stage)
Venturi Scrubber Option:
Gas velocity 60-120 m/s for submicron particles
Automated Dosing System:
ORP/pH sensors with PLC-controlled chemical injection
Mist Elimination:
Chevron-type demister (99.9% liquid droplet capture)
Modular Construction:
Flanged connections for easy field assembly
Corrosion Protection:
3mm thick PP lining with fiberglass reinforcement
4.Industry Applications
Specialty Gases: HF/HCl/Cl₂ removal
Ultra-Clean Design: ISO Class 5 compliant
Acid Gas Control: Dual-stage (alkaline + carbon adsorption)
Heat Recovery: Integrated flue gas condenser
Solvent Recovery: Teflon-coated packing for VOC condensation
5.Performance Validation
Field Test Data:
99.2% HCl removal @ 5000ppm inlet (EPA Method 26A)
87% THC reduction in paint booth exhaust
Certifications:
CE PED 2014/68/EU (Pressure Equipment)
ATEX Zone 2 (Explosion Protection)
Custom Options:
✓ Explosion-proof motor packages
✓ Remote IoT monitoring (4-20mA/Modbus)
✓ Sludge dewatering system integration
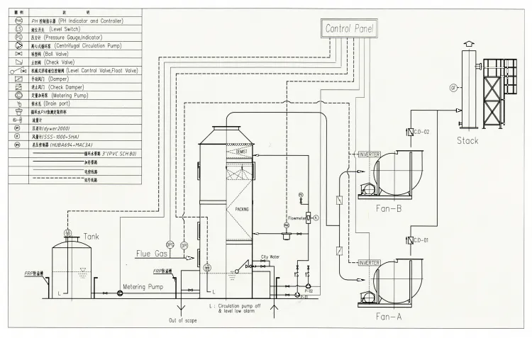
It can efficiently treat acid gas, alkaline gas, organic waste gas, odor and other harmful pollutants in industrial production.
FRP has excellent corrosion resistance, light weight, high strength, long service life and low cost, especially suitable for harsh corrosive working conditions.
Yes, we can customize air volume, size, spraying system and filler type according to your on-site requirements and waste gas composition.
The purification efficiency can reach more than 95% for common acid and alkaline waste gas, meeting strict environmental protection requirements.





Address
20 Xingyuan South Street, Zaoqiang County, Hengshui City, Hebei Province, China